名称
描述
内容
首页
产品中心
技术与应用
新闻资讯
关于我们
联系我们
上海顶威
产品中心
微型轻型侧铣头
万能万向侧铣头
双向输出侧铣头
固定角度侧铣头
加长延伸侧铣头
龙门重型侧铣头
7
*
注:所有产品都可以按加工要求定制生产。
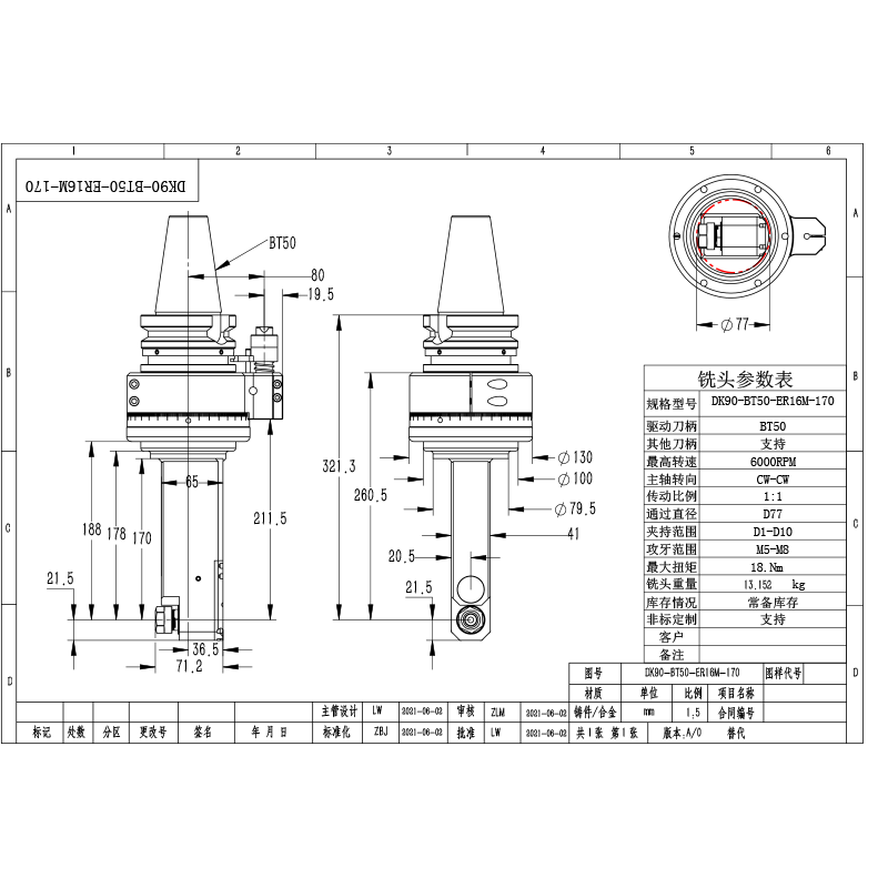
DW-BT50-ER16M-170
0.00
0.00
相关产品推荐
更多产品 →
DW-KS-A79双向主轴角铣头
DW-BT50-BT40-580
DW-BT50-BT40-700
DW-KS-A80 90°铣头
DW-BT50-BT40法兰连接
DW-BT50-BT40-300
DW-YW16-BT40
DW-YBT50-YW16
DW-BT40-D13-30°
DW-BT40-ER20-45°
DW-DC16-185